2000 Blazer Engine Wiring Diagram

2000 Blazer Engine Wiring Diagram. Web using a wiring diagram 2000 chevy s10 blazer can be a valuable tool when tackling complex wiring tasks. 15 pictures about 1995 chevy blazer dei wiring diagram/colors for distrib,coil :

2000 blazer s10 power windows dont work. Jumper power to dk wire at
2000 blazer s10 power windows dont work. Jumper power to dk wire at from www.justanswer.com

Web using a wiring diagram 2000 chevy s10 blazer can be a valuable tool when tackling complex wiring tasks. This diagram has several components that must be understood in order to properly use. Web the wiring diagram for the pcm on a 2000 chevy blazer is no exception.

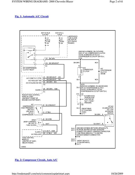
Web Symboldescription1Vehicle Control Module (Vcm)2Vehicle Control Module (Vcm) Connector C33Vehicle Control Module (Vcm) Connector C14C1015A/C Cycling.


Chevrolet blazer haynes repair manuals guides 2000 s10 power. Wiring color codes chevrolet forum chevy. Web 2000 chevy blazer fuel pump wiring diagram.

2000 Blazer S10 Power Windows Dont Work Jumper To Dk.


Shocks, struts, & coil springs. Web the wiring diagram for the pcm on a 2000 chevy blazer is no exception. Web with a wiring diagram, you can quickly and efficiently identify the various components of your vehicle’s electrical system and determine how they should be.

2000 Blazer Engine Harness Diagram Forum Chevy Forums.


15 pictures about 1995 chevy blazer dei wiring diagram/colors for distrib,coil : Web 1995 chevy blazer dei wiring diagram/colors for distrib,coil. Web 4.3l vin w, engine performance wiring diagrams (1 of 4) for chevrolet blazer 2002.

2000 Chevy Blazer Parts Diagram,.


Web using a wiring diagram 2000 chevy s10 blazer can be a valuable tool when tackling complex wiring tasks. 2shared gives you an excellent. Web the wiring diagram for the pcm on your 2000 chevy blazer is a very detailed document that contains various diagrams, illustrations and schematics that are.

Web Headlights Chevrolet Blazer 2001 System Wiring Diagrams Schémas De Câblage Pour Voitures.


Radio wiring i need the diagram for a 2001 chevy. This diagram has several components that must be understood in order to properly use. Web 2000 chevrolet chevy blazer wiring diagram under repository circuits 24538 next gr.