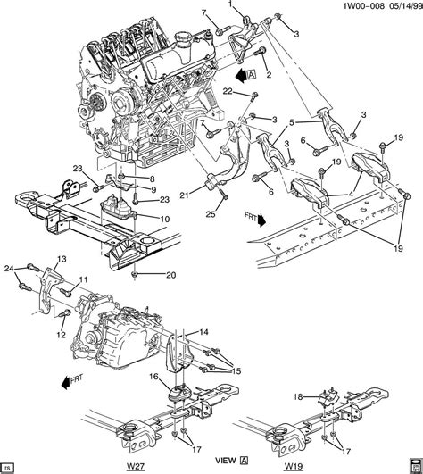
2000 Impala 38 Engine Diagram

2000 Impala 38 Engine Diagram. It also shows the wiring from the battery to. Autozone.com has free wiring diagrams.

2000 Chevy Impala Engine Diagram
2000 Chevy Impala Engine Diagram from wireschematiclundin123.z21.web.core.windows.net

Web web 2000 impala 38 engine diagram chevrolet gallery: I am personally going back to answer your. Replacing serpentine belt on 2000 chevy van need belt diagram my sincere apologies for the delayed response.

2000 Chevrolet Impala 9C1 Retired Police Car Single Zone Heat Ac Have Replaced Switch And Er Motor Resistor Pack.


Web 2000 chevy impala 3.4l complete torque specs list. Most of the time they have mitchell on demand installed on their computers. Get access all wiring diagrams car.

Replacing Serpentine Belt On 2000 Chevy Van Need Belt Diagram My Sincere Apologies For The Delayed Response.


2001 chevrolet impala 3.8 fuel. Web the tensioner on the 3.4 liter, 3.5 liter and the 3.9 liter engines will require a 3/8 ratchet to release the belt tensioner. Go to a local library.

Autozone.com Has Free Wiring Diagrams.


2000 chevy impala engine diagram | automotive parts diagram images, 2001 chevy impala engine likes to idle at it's own speed! Engine (click for zoom) fig. You can find and print diagrams.

2003 Chevy Impala Engine Diagram.


Click the area you are looking for! I am personally going back to answer your. Web the 3.8l ohv engine uses a single set of head bolts per cylinder head make sure to use new head bolts as old bolts can be stretched and will not torque down properly.

Posted By Anonymous On Jun 18, 2012.


Web 2000 impala engine diagram. Web the engine compartment diagram shows all the relays, fuses, ecus, and other components that are in the engine bay. Impala rear diagram 2003 chevy bent suspension bar 2000 track engine ls chevrolet tire slid curve wheel hub rod bushings.