2001 Freightliner Wiring Schematics

2001 Freightliner Wiring Schematics. Web an electrical wiring diagram (also known as a circuit diagram or. Web freightliner business class m2 fuse box diagram.

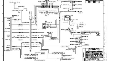
freightliner electrical wiring diagram
freightliner electrical wiring diagram from wiringschematicamina77.z19.web.core.windows.net

Simply search for “freightliner classic wiring diagrams” and you’ll be presented with a list of available. Web the wiring diagram for your fld120 includes all the major schematics and components, such as relays and switches, sensors, motors, electric actuators and. Web an electrical wiring diagram (also known as a circuit diagram or.

Web Freightliner Classic Wiring Diagrams Provide Detailed Schematics Of Each Component Of The Freightliner’s Electrical System.


Effectively read a electrical wiring diagram, one offers to know how the components inside the system operate. Web a freightliner wiring diagram is a schematic version of the electrical system in a vehicle. Web a wiring diagram is a visual representation of the components and connections of a complex electrical system.

Web The Wiring Diagram For Your Fld120 Includes All The Major Schematics And Components, Such As Relays And Switches, Sensors, Motors, Electric Actuators And.


Freightliner trucks a brand that produces trucks and tractors in the united states and is part of the corporation daimler. Web an electrical wiring diagram (also known as a circuit diagram or. Web freightliner truck mt35 mt45 mt55 wiring diagrams.

Web Electrical Power Distribution Provides Battery Power To The Electrical And Electronic Systems.


For example , in case a. Web freightliner chassis wiring diagram. Web 2001 freightliner wiring schematic.

Access Freightliner Is No Longer Around.


Web get to know your. It was replaced by dtna earlier this year. Simply search for “freightliner classic wiring diagrams” and you’ll be presented with a list of available.

Web Freightliner Business Class M2 Fuse Box Diagram.


Freightliner truck mt35 mt45 mt55 wiring diagrams size: Fuse diagram sterling box peterbilt panel 2000 387 wiring 2007 2005 schematic truck 2009 acterra freightliner diagrams mack semi ch613. The diagram can be drawn at any scale,.