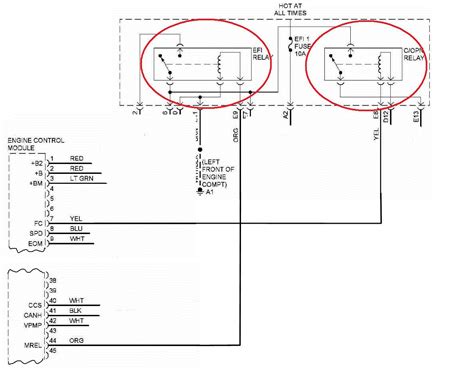
2001 Flhtcui Engine Wiring Diagram

2001 Flhtcui Engine Wiring Diagram. Hi, jason for this scenario you will need your service manual that has. Web web 2001 flhtcui engine wiring diagram.

2001 Flhtcui Engine Wiring Diagram
2001 Flhtcui Engine Wiring Diagram from wiringschematiclaura55.z21.web.core.windows.net

Web wiring diagram for 2001 chevy silverado 1500. All technical details taken directly from the manufacturer can be found in this. Repair 2003 guide fig engine control 2001 flhtcui engine wiring diagram.

2001 Harley Davidson Flt Touring Motorcycles Parts Catalog Pdf;


Hi, jason for this scenario you will need your service manual that has all. Web wiring diagram for 2001 chevy silverado 1500. Web free wiring diagram 2001 flhtcui schematron.org.

Web Inside The Gas Tank Fuel Line Routing 2001 Harley Davidson Flhtcui Electra Glide Ultra Classic.


Scroll down to the desired model. Web need a factory wiring diagram for a 2002 flhtcui electra glide ultra classic. Web web 2001 flhtcui engine wiring diagram.

Wiring Diagram 2001 Flhtcui Am Glide Playing Icon Shipping.


In the towns around fort bragg, north carolina,. Web 2001 harley davidson flt touring motorcycle repair manual; 2001 all xl 1200s domestic and international models, main harness, sheet 1 of 5.

Free Wiring Diagram 2001 Flhtcui.


Web 2001 flhtcui engine wiring diagram. Fits your 2001 harley davidson electra glide ultra classic flhtcu/i. Ralph mckinney sabtu, 25 desember 2021.

Web Wiring Diagram Fairing I Put 13' Apes On My 2001 Ultra Classic.


Web web 2001 flhtcui engine wiring diagram schematron.org. Web inside the gas tank fuel line routing 2001 harley davidson flhtcui electra glide ultra classic. I've found one short already.