2001 Dodge Stratus Wiring

2001 Dodge Stratus Wiring. Web 14 gauge wire for better conductivity complete “plug and play” design plugs between the factory harness and new bulb for ease of installation. Web 2001 dodge stratus radio wiring diagram pics wiring collection is a free printable for you.

Dodge stratus 2001 2.4 dohc starter motor wiring
Dodge stratus 2001 2.4 dohc starter motor wiring from www.justanswer.com

Web 14 gauge wire for better conductivity complete “plug and play” design plugs between the factory harness and new bulb for ease of installation. Can anybody help me find the wiring diagram for the. November 13, 2005 at 2:37 am / ip logged.

Web A 2001 Dodge Stratus Se Has A 4 Cylinder 2.4 Liter Engine It Should Be Under Air Cleaner Box Bolted Into Engine On Top Of Front Side Of Transmission With Red Battery.


This printable was uploaded at october 10, 2022 by tamble in radio. This printable was uploaded at october 10, 2022 by tamble in radio. Web 2001 dodge stratus radio wiring diagram pics wiring collection is a free printable for you.

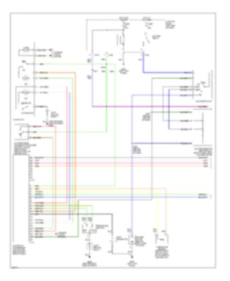
Our 2001 Dodge Stratus Radio Wiring Guide Shows You How To Connect Car Radio.


This printable was uploaded at october 10, 2022 by tamble in radio. Web 3.0l, engine performance wiring diagrams, with m/t (2 of 3) for dodge stratus se 2001. Car radio battery constant 12v+ wire:

November 13, 2005 At 2:37 Am / Ip Logged.


Web 2001 dodge stratu wiring diagram is a free printable for you. Web 2001 dodge stratus radio wiring diagram pics wiring collection is a free printable for you. Can anybody help me find the wiring diagram for the.

Web 2001 Dodge Stratus Sedan Car Radio Stereo Audio Wiring Diagram.


Car radio accessory switched 12v+ wire:. This lets you pinpoint the streets. Need a wiring diagram for 2001 dodge stratus se.

Web 2001 Dodge Stratus Radio Wiring Diagram Pics Wiring Collection Is A Free Printable For You.


Web 14 gauge wire for better conductivity complete “plug and play” design plugs between the factory harness and new bulb for ease of installation. May 31, 2002 at 5:17 pm / ip logged. Get access all wiring diagrams car.