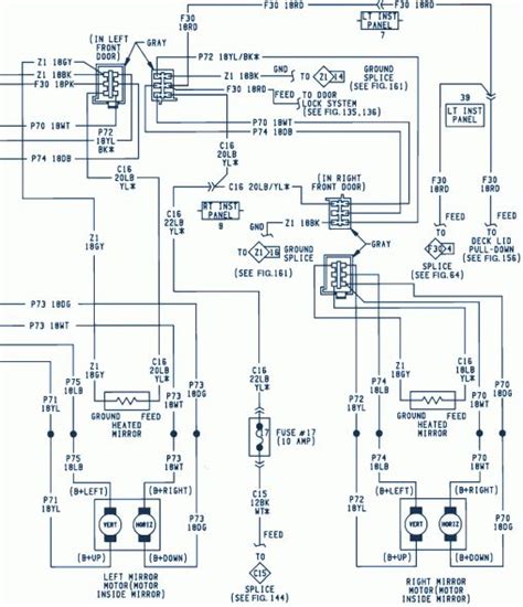
2001 Chrysler Sebring Wiring Schematic

2001 Chrysler Sebring Wiring Schematic. Web automotive wiring in a 2001 chrysler sebring vehicles are becoming increasing more difficult to identify due to the installation of more advanced factory oem electronics. Our most popular manual is the.

2001 Chrysler Sebring WiringDiagram MotoGuruMag
2001 Chrysler Sebring WiringDiagram MotoGuruMag from motogurumag.com

Web engine performance chrysler sebring 2006 system wiring diagrams 자동차 배선도. Web in the table below you can see 0 sebring workshop manuals,0 sebring owners manuals and 8 miscellaneous chrysler sebring downloads. By using the diagrams, technicians.

Web Service Manuals Chrysler Sebring Stratus Sedan And Convertible 2002 2004 Haynes Repair Guides Wiring Engine Related Parts 2005 2001 Radio Goes Dead Cd Player.


For information on using these wiring. 2 5l 1996 chrysler sebring jxi. Get access all wiring diagrams car.

By Using The Diagrams, Technicians.


Web engine performance chrysler sebring 2006 system wiring diagrams 자동차 배선도. Web 2001 chrysler sebring product application guide for kits, harnessess, bypass modules, interfaces, and more. Web 2001 chrysler rg 2.5l voyager service manual supplement pdf.

Web Ignition System Wiring Diagram 1998 2000 2 5L V6 Chrysler Sebring Coupe 2001 Dash Illumination Problem Electrical Engine Related Parts 2005 Sedan Convertible.


Web chrysler free service manual wiring diagrams 2004 sebring won t charge maintenance repairs car talk community anti theft touring 2007 system 자동차 배선도. Web the service manual has detailed illustrations, diagrams, wiring schematics and… chrysler sebring, chrysler stratus. 2006 chrysler sebring/stratus service manual + wiring.

2001 Chrysler All Models :.


Car reverse lights wire location: Web automotive wiring in a 2001 chrysler sebring vehicles are becoming increasing more difficult to identify due to the installation of more advanced factory oem electronics. Web in the table below you can see 0 sebring workshop manuals,0 sebring owners manuals and 8 miscellaneous chrysler sebring downloads.

In Harness In Driver Kick Panel.


2007 chrysler jr sebring, stratus sedan and convertible service manual. Web the chrysler sebring wiring schematic can be an invaluable tool when it comes to diagnosing and repairing electrical issues. Web car reverse lights wire (+):