2001 Chevy S10 Speaker Wiring

2001 Chevy S10 Speaker Wiring. Web there is 6 to 8 look under the bed 2 to 4 in front 2 to 4 in back usely 15 mm or 18 mm. Web left front speaker wire (+):

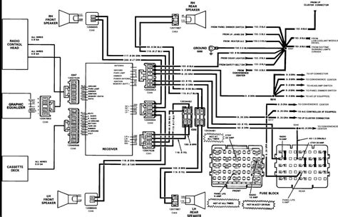
2001 Chevy S10 Blazer Radio Wiring Diagram Wiring View and Schematics
2001 Chevy S10 Blazer Radio Wiring Diagram Wiring View and Schematics from www.wiringview.co

Chevrolet s 10 cars & trucks. * please select the options of your 2001 chevrolet s10. Web left front speaker wire (+):

Web Left Front Speaker Wire (+):


We have the best products at the right price. Web the chevrolet s10 pickup truck has been a staple of the light truck market for many years. If you want to replace the speaker, you can expect to pay between $30 and $240 per.

Web If The Wiring Needs To Be Replaced, It Can Cost Between $5 And $35 For Parts.


Our 2001 chevrolet s10 blazer radio wiring guide shows you how to. Knowing your 2001 chevrolet s10 blazer speaker sizes makes it simple to install new car speakers. Web chevy wiring ecm blowing.

Web There Is 6 To 8 Look Under The Bed 2 To 4 In Front 2 To 4 In Back Usely 15 Mm Or 18 Mm.


The ultimate guide the 2002 chevy s10 radio wiring diagram is an essential piece of knowledge when it comes to. Chevrolet s 10 cars & trucks. Clicking this will make more.

Web Mates The Aftermarket Stereo With Car Wiring Harness Allow Seamless Integration Of Custom Stereo With Vehicle.


54 2003 chevy s10 stereo. Web 2002 chevy s10 radio wiring diagram: Web 2001 chevrolet s10 blazer speaker size and location.

Web Web 1998 Chevrolet S10 Pickup Stereo Radio Wiring Diagram.


1998 chevrolet s10 pickup stereo radio wiring diagram. 1998 chevrolet s10 pickup stereo radio wiring. Red/yellow car radio ignition switched 12v+ wire: