2001 Cherokee Wiring Schematics

2001 Cherokee Wiring Schematics. Get your hands on the complete jeep factory workshop software £9.99 download now. Get access all wiring diagrams car.

gm headlight wiring
gm headlight wiring from enginewiringmaija55.z19.web.core.windows.net

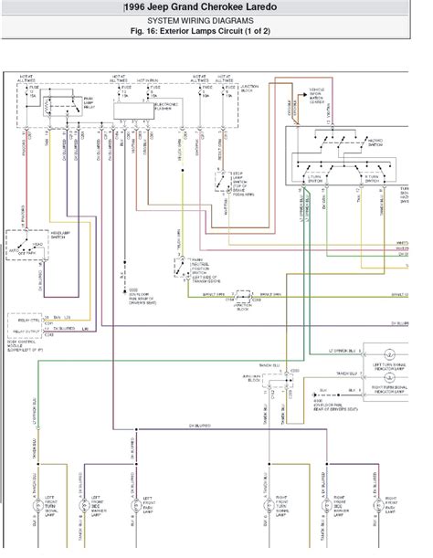
The device or equipment being powered by an electrical circuit is the. Engine bay schematic showing major electrical ground points for l jeep cherokee engines. Web 4.7l, a/t wiring diagram (1 of 2) for jeep grand cherokee limited 2001.

As An Avid Jeep Enthusiast, Being Able To Fix Or Maintain Your Own Vehicle Is An Invaluable Skill.


Web jeep electrical diagrams & exploded parts views for alternator, wiring & ignition parts. Ignition system wiring diagram 1996. Web 2001 jeep grand cherokee.

Web 2001 Jeep Cherokee Sport 4.0L Pcm Wiring Diagram.


Web this video will show you how to access the complete jeep cherokee wiring diagrams and details of the wiring harness. Diagrams for the following systems are. Web our jeep automotive repair manuals are split into five broad categories;

Web 2001 Jeep Grand Cherokee Wiring Diagram Source:


Engine bay schematic showing major electrical ground points for l jeep cherokee engines. To properly read a wiring diagram, one has to know how the components within the method operate. 11 using special tool 6742 fig.

Web 2001 Cherokee Wiring Diagram.


Get your hands on the complete jeep factory workshop software £9.99 download now. Web 12022 2004 jeep grand cherokee remote start pictorial. Web how i find a 2001 jeep cherokee car stereo wiring diagram?

Web 2001 Jeep Cherokee Radio Wiring Diagram.


Web 2001 jeep cherokee sport wiring diagram. Web 4.7l, a/t wiring diagram (1 of 2) for jeep grand cherokee limited 2001. 2001 jeep cherokee radio wiring diagram.