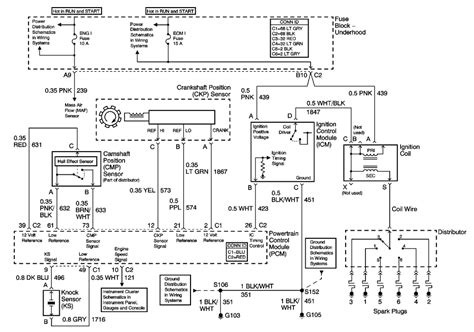
2001 Blazer Engine Wiring Schematic

2001 Blazer Engine Wiring Schematic. Chevrolet blazer 4.3 2000 control module electrical. 1988 blazer 350 tbi won't idle but will with bad high.

2001 Chevrolet Blazer Car Has Power No Crank
2001 Chevrolet Blazer Car Has Power No Crank from www.2carpros.com

15 images about gmc 4 2l vortec engine diagram : How to read and interpret wiring. 1.9l engine the firing order is:

When You Make Use Of Your.


17 pics about gallery of 2002 chevy blazer trailer wiring diagram. Web 2001 blazer engine wiring schematic gmc 4 2l vortec engine diagram. Web to determine the bolt pattern on a 5.

Web Fuse Box Vw T5 Relay Location | Schematic And Wiring Diagram.


The left tail light running from www.justanswer.com. Web 2001 chevy blazer wiring diagram from repairguide.autozone.com. 15 images about gmc 4 2l vortec engine diagram :

Engine Mechanical 2001 Chevy Blazer Engine Diagram, Chevy 34 Engine Diagram Ideas For Diy Electrical Wiring And Switching.


Web web 2001 blazer engine wiring schematic gallery of 2002 chevy blazer trailer wiring diagram sample. Web 2001 blazer engine wiring schematic gallery of 2002 chevy blazer trailer wiring diagram sample. Web 29 2001 chevy blazer vacuum line diagram wiring database 2020.

Print The Wiring Diagram Off And Use Highlighters In Order To Trace The Signal.


Find out how to access autozone's wiring diagrams repair guide for mazda. Chevrolet blazer 4.3 2000 control module electrical. I have a 1988 k5 chevrolet blazer and was curious how the wires connect to starter there is 3.

How To Read And Interpret Wiring.


Web i have a 2001 chevy s10 blazer 4 dr 4wd. Web blower motor wiring diagrams for three or four speed. Web web 2001 blazer engine wiring schematic gallery of 2002 chevy blazer trailer wiring diagram sample.