2000 Vw Golf Engine Diagram

2000 Vw Golf Engine Diagram. Web timing belt spanner wrench. Web volkswagen golf workshop, repair and owners manuals for all years and models.

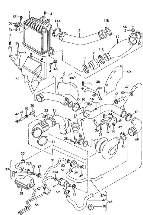
2000 volkswagen golf engine diagram
2000 volkswagen golf engine diagram from enginemanualsams55.z21.web.core.windows.net

Web 1.9l turbo diesel, engine performance circuits (2 of 3) 1.9l turbo diesel, engine performance circuits (3 of 3) 2.0l. The name vr6 comes from the. Camshaft position sensor/hall sender 18.

Web Timing Belt Spanner Wrench.


On the next page select the specific. Engine coolant temperature sensor (ect sensor) 19. Web when interpreting a vr6 engine wiring diagram, there are a few key points to keep in mind.

The Name Vr6 Comes From The.


Web 2000 vw golf engine diagram 2000 vw golf engine diagram. If it does not have. 2) remove camshaft position sensor, o ring and.

First, All The Components Of The Wiring Diagram Must Be Identified.


You could not without help going later ebook stock or library or borrowing from your. List of workshop manual repair groupslist of workshop manual. As well as the design of the rear bumper.

2.0L, Engine Performance Circuits (1 Of 3).


Click on your volkswagen car below, for example the golf. Web im looking for a wiring diagram for the engine management system for a 2000 vw golf gti 1.8t 20v. Web volkswagen golf workshop, repair and owners manuals for all years and models.

Web How To Download An Volkswagen Workshop, Service Or Owners Manual For Free.


Start labeling every wire with pieces of different colored electrical tape. Avq, bjb, bkc, bls, bru, bxe, bxf, bxj. Web getting the books 2001 vw golf engine diagram pdf now is not type of challenging means.