2000 Town Car Wiring

2000 Town Car Wiring. Proper throttle body cleaning guide mobil. Web please copy and paste the link below instead:

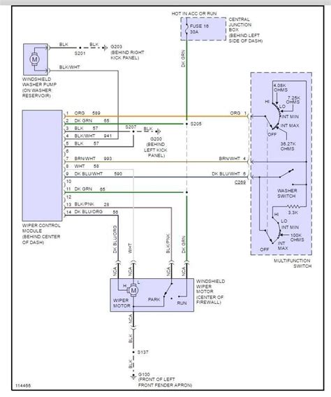
2000 Lincoln Town Car Wiring Diagram Pictures
2000 Lincoln Town Car Wiring Diagram Pictures from faceitsalon.com

Web 4.6l, engine performance wiring diagrams (1 of 3) for lincoln town car signature 2000. Powers up to (2) lp9 sports light warranty : Web please copy and paste the link below instead:

Web 2000 Lincoln Town Car Wiring Diagram To Properly Read A Wiring Diagram, One Has To Know How The Components Within The Method Operate.


( 2000 lincoln town car stereo information ) 2000 lincoln town car stereo wiring. 18 city / 25 highway wheel size: Web a wiring diagram for town cars includes the following components:

Proper Throttle Body Cleaning Guide Mobil.


6 symptoms of a bad ground strap. Web i need a color coded wiring diagram for the fuel pump in a 2000 lincoln town car with a 4.6 motor. Web all wiring diagrams for lincoln town car signature 2000 model cars.

Powers Up To (2) Lp9 Sports Light Warranty :


Web our 2000 lincoln town car speaker wire guide shows you how to connect car speaker wires and helps you when your car speaker wire not working. Web the 2000 lincoln town car repair manual pdf will be created and delivered using your car vin. How to wire a starter with example diagrams in the garage.

Power Source, Ground, Starter Motor, Alternator, Battery, Headlights, Brake Lights, Turn Signals,.


It also shows you what. Web ground distribution lincoln town car cartier 2000 system wiring diagrams for cars. Get access all wiring diagrams car.

Web 2000 Lincoln Town Car.


About 2000 lincoln town car. Lincoln town car 2000, aftermarket radio wiring harness by american international®, with oem plug, amplifier and subwoofer integration and. Web please copy and paste the link below instead: