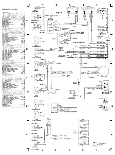
2000 S10 Tail Light Wiring. Cj7 2002 s10 brake lights stay on. Web 2000 s10 zr2 tail light wiring diagram from schematron.org.

I use the american autowire 500148 turn sign. Web 1989 chevy s10 fuse box. Tail light wiring digram for a 1989 chevy s10,.
2000 S10 Tail Light Wiring. Cj7 2002 s10 brake lights stay on. Web 2000 s10 zr2 tail light wiring diagram from schematron.org.

I use the american autowire 500148 turn sign. Web 1989 chevy s10 fuse box. Tail light wiring digram for a 1989 chevy s10,.
Web 2000 chevy s10 truck 4x4 radio wiring diagram please. Restoring electrical wiring, more than every other household project is about protection. Web following diagrams is pretty simple, but.
How to read and interpret wiring. Web every chevrolet tail light wiring harness in our catalog comes from the most trusted brands in the automotive industry. 4.4 4.4 out of 5 stars (251.
Good day read full answer. We have the best products at the right price. What are each wire color for the headlight harness trying to.
Chevrolet s10 pickup truck car stereo wiring diagram. Powers up to (2) lp9 sports light warranty : 85 s10 tail light wiring diagram.
Web 2000 s10 zr2 tail light wiring diagram from schematron.org. Web amazon's choice for 2000 s10 tail lights. Cj7 2002 s10 brake lights stay on.