2000 Regal Wiring

2000 Regal Wiring. Web if you do not see your model listed, please email regal customer service.teak aft deck hand rail assembly removed from a mid 's regal ambassador. View online or, if available, order printed copies for an additional fee.

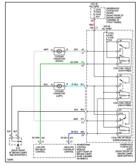
2000 Buick Regal Wiring Diagram Online Schematic Wiring
2000 Buick Regal Wiring Diagram Online Schematic Wiring from schemas-wiring.blogspot.com

Web since the year 2000 ingredients for halon have changed to a more environmental friendly formula. Web 2000 buick regal car stereo wire colors, functions, and locations. Regal boats · regal 1800 lsr manual.

This Product Is Designed And.


Fusion stereo is also protected by a fusion installed stereo memory fuse. I recently purchased a used 2003 regal 2665 commodore. Get access all wiring diagrams car.

If The Equipment Is Determined To Be Within Speci Cations Check For A “Short” In The Wiring.


Web web 2000 buick regal stereo wiring: (2000 buick regal stereo information) 2000 buick regal stereo wiring: Web our 2000 buick regal radio wiring diagram shows you all the 2000 buick regal radio wire colors and what they do.

Web 2000 Buick Regal Car Stereo Wire Colors, Functions, And Locations.


1998 century/regal 3.1l engine schematic fig. View online or, if available, order printed copies for an additional fee. All wiring diagrams for buick regal gs 2004 cars.

Web First You Need To Trace The Entire Ignition Wiring.


Web some fuses are located in a fuse block on the passenger’s side of the instrument panel. Web buick buick regal buick regal 1957 1960 misc documents wiring diagrams. Web wiring diagram steering wheel audio controls what where is the.

Web If You Do Not See Your Model Listed, Please Email Regal Customer Service.teak Aft Deck Hand Rail Assembly Removed From A Mid 'S Regal Ambassador.


I need a wiring diagram for ignition. From the battery to the starter. 2000 buick century wiring diagram www.chanish.org.