2000 Gmc Dash Wiring Schematics

2000 Gmc Dash Wiring Schematics. 2000 gmc sierra, blower motoronly works on #4,5. Web the gmc w4500 wiring diagram uses these elements to show the entire electrical system of the truck.

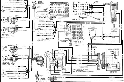
2000 Gmc Sierra Speaker Wiring Diagram Collection Wiring Diagram Sample
2000 Gmc Sierra Speaker Wiring Diagram Collection Wiring Diagram Sample from faceitsalon.com

You may need to locate a specific color wire and its exact location. February 20, 2022 by wiring digital. 1971 gmc sprint color wiring diagram.

99 350 Yamaha Wolverine Wiring Diagram.


Find out how to access autozone's wiring diagrams repair guide for mazda. 2000 chevrolet silverado radio wiring diagram. Relays get hot and thats normal but the fuse burning might be caused by a defective 02 sensor or oxigen sensor disconect sensors and see if keeps.

Chances Are The Switch Is Fine, And Its The Blower Motor Resistor.


Check this for 2000 chevrolet silverado c1500 car stereo wiring diagram. Web 5.3l vin t, engine controls wiring diagram, except canadian built (3 of 5) for gmc sierra 2000 2500 get access all wiring diagrams car 5.3l vin t, engine. Chevrolet gmc tail light wiring harness pair diy solutions lht08141 reverse wire.

Web 2000 Gmc Dash Wiring Schematics.


February 20, 2022 by wiring digital. Web 1970 71 gmc c k series light truck color wiring diagram. Web power distribution power distribution wiring diagram (1 of 4) power distribution wiring diagram (2 of 4) power distribution wiring diagram (3 of 4) power.

1972 Gmc C K Series Light Truck Color Wiring Diagram.


Yamaha wiring diagram outboard wolverine 2001 6j8. Fuel gauge sender (dual tank, gas)(c) (2000) fig. 2000 gmc sierra, blower motoronly works on #4,5.

Web 2000 Gmc Dash Wiring Schematics.


Web the gmc w4500 wiring diagram uses these elements to show the entire electrical system of the truck. Web there are tutorials to teach you. If you click on the three dots located in the upper right hand corner of the screen, then click on faq it will open up the tutorials.