2000 Ford Excursion Speaker Wiring Diagram

2000 Ford Excursion Speaker Wiring Diagram. We are proud to have the ability to. All wiring connections between components are shown.

I have a 2000 Ford Excursion Limited. It has the OEM stereo as well as
I have a 2000 Ford Excursion Limited. It has the OEM stereo as well as from www.justanswer.com

Web ground distribution ground distribution wiring diagram (1 of 3) ground distribution wiring diagram (2 of 3) ground distribution wiring diagram (3 of. Web power distribution power distribution wiring diagram (1 of 5) power distribution wiring diagram (2 of 5) power distribution wiring diagram (3 of 5) power. Web 2000 ford excursion speaker wiring diagram.

Web Our 2002 Ford Excursion Radio Wiring Guide Shows You How To Connect Car Radio Wires And Helps You When Your Car Radio Wires Not Working.


Web knowing your 2000 ford expedition speaker sizes makes it simple to install new car speakers. Web free ford wiring diagrams for 2000. Web 7.3l di turbo diesel, engine performance wiring diagram (1 of 4) for ford excursion 2000.

Our 2000 Ford Expedition Speaker Size Guide Shows You The Exact.


Web power distribution power distribution wiring diagram (1 of 5) power distribution wiring diagram (2 of 5) power distribution wiring diagram (3 of 5) power. I have a 2000 ford excursion limited it has the oem stereo as well cd. It also shows you the car radio.

All Wiring Connections Between Components Are Shown.


We are proud to have the ability to. I have a 2000 ford excursion limited it has the oem stereo as well cd. Web transmission 4wd wiring diagram 5.4l 5.4l, a/t wiring diagram 6.8l 6.8l, a/t wiring diagram 7.3l diesel 7.3l diesel, a/t wiring diagram.

Select The Model Diagram You Need And View Online.


Web ground distribution ground distribution wiring diagram (1 of 3) ground distribution wiring diagram (2 of 3) ground distribution wiring diagram (3 of. Web web 2000 ford excursion speaker wiring diagram. By admin | june 18, 2018.

Web Air Conditioning 5.4L 5.4L, Manual A/C Wiring Diagram (1 Of 2) For Ford Excursion 2000 5.4L, Manual A/C Wiring Diagram (2 Of 2) For Ford Excursion 2000.


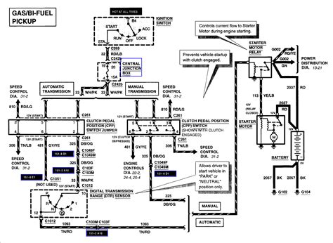
Web 2000 ford excursion speaker wiring diagram. 2000 ford excursion alarm, remote start, keyless entry wiring information: Web cruise control 5.4l 5.4l, cruise control wiring diagram 6.8l 6.8l, cruise control wiring diagram 7.3l di turbo diesel 7.3l di turbo diesel, cruise.