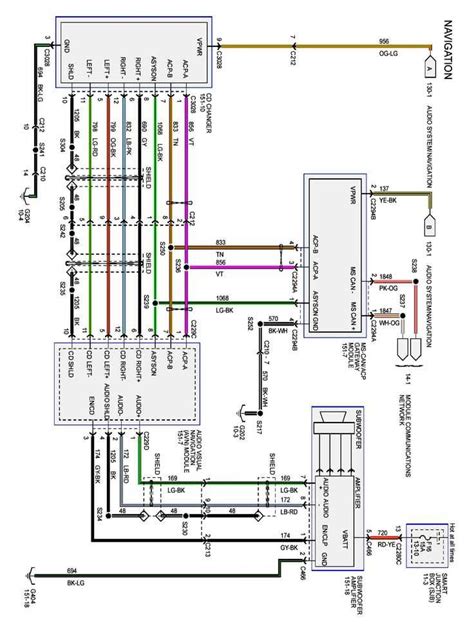
2000 F250 Radio Wiring Schematic

2000 F250 Radio Wiring Schematic. 2015 f250 f350 f450 f550. Radio 2000 f250 ford stereo question.

Wiring Diagram 2000 Ford F250 Super Duty Naturefer
Wiring Diagram 2000 Ford F250 Super Duty Naturefer from naturefer79.blogspot.com

Web a wiring diagram will show you where the cables need to be attached, so you do not have to guess. Web 2000 f250 radio wiring schematic. Web 5.4l, engine performance wiring diagrams, with 4r70w transmission (2 of 4) for ford pickup f250 super duty 2000.

Car Radio Accessory Switched 12V+ Wire:


You do not have to presume, a wiring diagram will reveal you. Web web 2000 ford excursion car stereo wiring schematic. Web web wiring ford f150 diagram radio f250 schematic 2000 150 1997 harness.

Web Web Ford F250 Radio Wiring Diagram.


Web 7.3l wiring schematic printable, very handy. This wire is responsible for supplying power to the stereo system when the ignition. Forum i need a radio for 2002.

Find The Ford Radio Wiring Diagram You Need To Install Your Car Stereo And Save Time.


Web ford car radio stereo audio wiring diagram autoradio connector wire installation schematic schema esquema de conexiones stecker konr connecteur. Web the red wire in a car stereo wiring harness is typically the 12 volt ignition wire. 30 ford f250 wiring diagram online.

This Printable Was Uploaded At October 10, 2022 By Tamble In.


2015 f250 f350 f450 f550. Web wiring f250 f350 schematics aftermarket expedition explorer. 2015 f250 f350 f450 f550.

Get Access All Wiring Diagrams Car.


Web having a ford stereo wiring diagram makes installing a car radio easy. Web 2000 f250 radio wiring schematic. Web 5.4l, engine performance wiring diagrams, with 4r70w transmission (2 of 4) for ford pickup f250 super duty 2000.