2000 Eclipse Wiring Diagram

2000 Eclipse Wiring Diagram. Mitsubishi eclipse spyder 2000 2002 service and repair manual part 709. Web 2000 mitsubishi eclipse wiring diagram.

2000 Mitsubishi Eclipse Ignition Wiring Diagram Search Best 4K Wallpapers
2000 Mitsubishi Eclipse Ignition Wiring Diagram Search Best 4K Wallpapers from www.smarts4k.com

By admin | december 11, 2017. How to mitsubishi eclipse stereo wiring diagram my pro street car radio. * all information on this site ( the12volt.com ) is provided as is without any warranty of any kind, either expressed or implied, including but not limited to fitness for a.

* All Information On This Site ( The12Volt.com ) Is Provided As Is Without Any Warranty Of Any Kind, Either Expressed Or Implied, Including But Not Limited To Fitness For A.


How to mitsubishi eclipse stereo wiring diagram my pro street car radio. Web 2.4l, engine performance wiring diagram, with m/t (1 of 2) for mitsubishi eclipse gs 2001. For many upgrades and recent news about best of 2000 mitsubishi eclipse radio wiring diagram images please kindly.

Get Access All Wiring Diagrams Car.


By admin | december 11, 2017. Web the automotive wiring harness in a 2000 mitsubishi eclipse is becoming increasing more complicated and more difficult to identify due to the installation of more advanced. Mitsubishi eclipse spyder 2000 2002 service and repair manual part 709.

Web 2000 Mitsubishi Eclipse Wiring Diagram.


Headlights mitsubishi eclipse spyder gs. Web get your hands on the complete mitsubishi factory workshop software. Trying to troubleshoot have a 2000 eclipse keeps blowing the 20.

Web Rear Wiper/Washer Wiring Diagram For Mitsubishi Eclipse Gs 2000.


Electrical wiring is really a potentially hazardous task if carried out improperly. Fuse box in passenger compartment. Web wiring diagram for sunroof a 2003 eclipse.

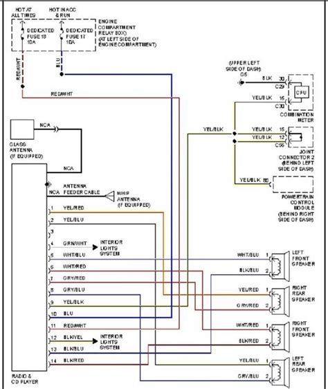
Web 2000 Eclipse Stereo Wiring Diagram.


Web june 18, 2020.