2000 Dodge 2500 Lights Wiring Schematic

2000 Dodge 2500 Lights Wiring Schematic. Dodge ram truck 2005 1500,2500, 3500 ser. Wiring light diagram jayco eagle dodge ram 2500 2002 diesel.

dakota tail light wiring diagram
dakota tail light wiring diagram from diagramenginemarianna88.z13.web.core.windows.net

Web dodge ram fog light wiring diagram. You may need to locate a specific color wire and its exact location. Web each wire shown in the diagrams contains a code which identifies the main circuit, a specific part of the main circuit, gage of wire, and color.

The Wire Colors Used In Dodge Ram Tail Light Wiring Can Vary Depending On The Model And Year Of The Vehicle.


Dodge ram truck 2005 1500,2500, 3500 ser. Web fortunately, determining the wiring diagram of the 2003 dodge ram 2500 is relatively straightforward. Web wiring diagram for 2000 dodge caravan pics.

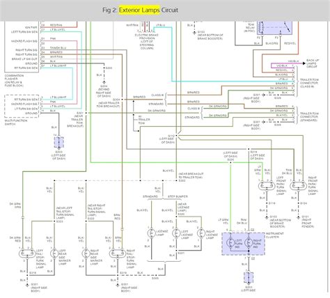
Web The Dodge Ram 2500 Wiring Diagram Consists Of Several Different Pieces Of Information.


When you make use of your finger or perhaps. The first step is to turn off all power to the vehicle, including the. It's on the trailer plug.

Web Where Is The Headlight Relay On A 97 2500.


Adobe acrobat document 19.6 mb. Web each wire shown in the diagrams contains a code which identifies the main circuit, a specific part of the main circuit, gage of wire, and color. 2000 durango slt 4.7l 116,000 miles bilstein shocks, addco sway bars.

2000 Durango Slt 4.7L 116,000 Miles Bilstein Shocks, Addco Sway Bars.


· #2 · aug 10, 2017. 1999 dodge ram 1500 wiring diagram from. In reality you're far better off plugging into the factory harness rather than splicing into the truck harness.

You May Need To Locate A Specific Color Wire And Its Exact Location.


Web this is a long video showing the build of the headlight wiring harness for the dodge 2500 on which i am doing major maintenance. It includes the main fuse box, the power distribution center, the relay panel,. Web wiring ram dodge diagram 2500 radio cummins 2001 ecm 1999 2002 1500 2006 diesel 1996 switch stereo 2004 2007 grand.