2000 Cherokee Wiring Schematic

2000 Cherokee Wiring Schematic. Web the 4.7l motor has a separate coil for each cylinder. Web this page consists of information on the 2000 jeep cherokee wiring diagram, tips, and frequently asked questions.

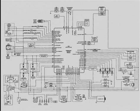
2000 Jeep Cherokee Wiring Harness Database Wiring Diagram Sample
2000 Jeep Cherokee Wiring Harness Database Wiring Diagram Sample from faceitsalon.com

Injunction of 2 wires is generally. Web need wiring diagram for 2000 jeep cherokee. 2000 jeep grand cherokee vehicle wiring chart and diagram.

تقليد نسبه مئويه بيو 2007.


Jeep workshop manuals, jeep owners manuals, jeep wiring diagrams, jeep sales brochures and. We created this page to help those. 11 using special tool 6742 fig.

Web Air Conditioning 2.5L 2.5L, Manual A/C Wiring Diagram For Jeep Cherokee Sport 2000 Heater Wiring Diagram For Jeep Cherokee Sport 2000 4.0L 4.0L,.


Web the 2000 jeep cherokee xj fuel pump wiring diagram is designed to help you make sure that. On the 4.0l motor use any of the tan/stripe wires at the coil. Web on the other hand, this diagram is a simplified version of this structure.

Whether You Want To Know How To Change Your Radio In Your 2000 Jeep Cherokee Or Figure Out Why Your Car Radio.


Web this video will show you how to access the complete jeep cherokee wiring diagrams and details of the wiring harness. Jeep cherokee manual switch fig test gear select 6e trans. Injunction of 2 wires is generally.

We Have Made This Page.


Go to any coil and use any wire that is not dk. Web here you can discover information about the stereo wiring diagram for 2000 jeep grand cherokee, tips, and frequently asked questions. Suspension grand cherokee wk 05 22 crown automotive s co.

Knowing How The Various Components.


2000 jeep grand cherokee vehicle wiring chart and diagram. Web 2000 cherokee wiring schematic. Web understanding the jeep grand cherokee wiring schematic is key to keeping your vehicle running smoothly for years to come.