2000 Buick Headlight Wiring

2000 Buick Headlight Wiring. Web 0 response to 2000 buick century headlight wiring diagram post a comment. Web autozone exterior lights lamps fig 2005.

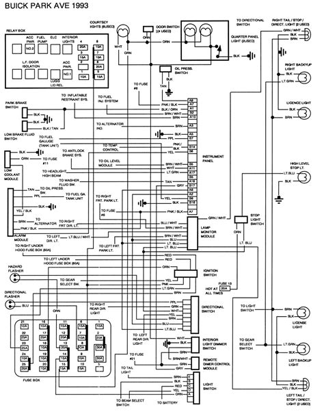
2000 Buick Century Headlight Wiring Diagram Database
2000 Buick Century Headlight Wiring Diagram Database from faceitsalon.com

Buick 1990 buick 1991 buick 1992 buick 1993 buick 1994 buick 1995 buick 1996 buick 1997 buick 1998 buick 1999 buick 2000 buick. Sterling lt9500 fuse box | wiring library. I have a 2000 buick century and the left low beam headlight.

Left And Right Headlamps, Hi And Lo Beam, At Each Lamp The Top Wire Is Voltage, The Bottom Wire Is Ground.


Web 2000 buick century headlight pigtail wiring diagram. 2000 buick century no low beams i changed the www.2carpros.com. High beam headlights don’t work or low beams don’t work.

Web Our Most Popular High & Low Headlight Wire Kit Products For The Buick Lesabre Are:


Web wiring problems can also cause both headlights to stop working. Web 0 response to 2000 buick century headlight wiring diagram post a comment. The dash lights have to go through the headlight switch and then through the ignition then through a fusible link.

No Low Beams I Changed The Bulbs And Light Switch On Dash.


Coat the parts with dielectric grease to slow down. Carquest premium fog / driving light wiring harness from $18.99. Buick 1990 buick 1991 buick 1992 buick 1993 buick 1994 buick 1995 buick 1996 buick 1997 buick 1998 buick 1999 buick 2000 buick.

Web Clean A Ground Cable Connection.


Web the yellow wire on the headlamp switch also goes to the daytime running light module which disables the drl's but nothing related to dimmer. Disassemble the connection, clean it with a wire brush and reassemble it. Newer post older post home.

A Burned Out Bulb, Or.


I have a 2000 buick century and the left low beam headlight. Web autozone exterior lights lamps fig 2005. Sterling lt9500 fuse box | wiring library.