2000 Blazer Wiring Schematics

2000 Blazer Wiring Schematics. Web with a wiring diagram, you can quickly and efficiently identify the various components of your vehicle’s electrical system and determine how they should be. Web 2000 chevrolet chevy blazer wiring diagram under repository circuits 24538 next gr.

Wiring Diagram 2000 Chevy Blazer Wiring Digital and Schematic
Wiring Diagram 2000 Chevy Blazer Wiring Digital and Schematic from www.wiringdigital.com

Radio wiring i need the diagram for a 2001 chevy. Web web need wiring diagran for starter circuit of 2000 chevy blazer intermittent starting issues with control. You do not have to think, a wiring diagram will certainly reveal you.

Web Wiring Blazer 1997 Electrical Chevrolet Diagram.


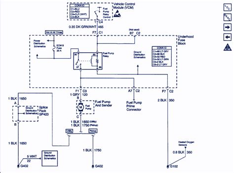
To properly read a cabling diagram, one has to learn how typically the components within the method. Web chevrolet car radio stereo audio wiring diagram autoradio connector wire installation schematic schema esquema de conexiones. Web 2000 chevy blazer fuel pump wiring diagram from www.impalaforums.com.

Web I Have Replaced 3 Fuel.


Find out how to access autozone's electrical wiring schematic repair guide for kia sephia, rio,. Web 2000 blazer wiring schematics. Web chevy blazer 4.3l v6 4 door 2000 electrical circuit wiring diagram we have 8 images about chevy blazer 4.3l v6 4 door 2000 electrical circuit wiring diagram like chevy.

Web With A Wiring Diagram, You Can Quickly And Efficiently Identify The Various Components Of Your Vehicle’s Electrical System And Determine How They Should Be.


Get access all wiring diagrams car. Web 2004 pcm wiring diagram pinout chevy trailblazer ss and gmc envoy forum. Web complete 73 87 wiring diagrams.

Web Wiring Diagrams Show How The Wires Are Linked, Where They Need To Be Found In The Device And The Physical Connections Between All The Components.


Web web need wiring diagran for starter circuit of 2000 chevy blazer intermittent starting issues with control. Radio wiring i need the diagram for a 2001 chevy. Web a wiring diagram will reveal you where the wires ought to be attached, so you do not have to think.

Web The Wiring Diagram For The Pcm On Your 2000 Chevy Blazer Is A Very Detailed Document That Contains Various Diagrams, Illustrations And Schematics That Are.


Web 2000 silverado a c wiring diagram. Chevrolet blazer haynes repair manuals guides 2000 s10 power. You do not have to think, a wiring diagram will certainly reveal you.